BB贝博艾弗森官方网站
网站首页
学院概况
学院简介
现任领导
组织机构
信息公开
机构设置
党政管理机构
办公室(党委巡察办)
党委纪检监察科
党委组织部
党委宣传部
党委统战部
学生科(学生工作部、武装部)
教务科
财务科
人事科
审计科
保卫科
后勤科
教学教辅机构
护理系
康复技术系
医学技术系
基础医学部
公共基础部
马克思主义学院
继续教育部
科研(对外交流)部
信息中心(图书馆)
实作实训部
门诊部
群团组织
学校团委
学校工会
学校妇联
党群工作
党建园地
纪检监察
共青团工作
工会工作
老干工作
妇联工作
新闻中心
学校要闻
通知公告
疫情防控
爱国卫生运动
高教信息
视频新闻
学生活动
党的二十大
思政专栏
教育教学
继续教育
教学管理
教学科研
精品课程
人才培养(专科、中专)
实验实训
招生就业
招生
就业
就业服务平台
就业新闻
职业鉴定
学生工作
学生管理
武装工作
勤工助学
心理健康教育
教育信息化
合作交流
国际交流
校企合作
院校交流
社会服务
社会服务
双高建设
双高建设
智慧校园
资讯类别
教育信息化
推荐资讯
人气排行
05-11
1
《中华人民共和国网络安全法》
05-15
2
教育部关于发布《职业院校数字校园建设规范》的通知
03-31
3
教育部关于印发《普通高等学校图书馆规程(修订)》的通知
03-31
4
教育部关于印发《普通高等学校基本办学条件指标(试行)》的通知
03-31
5
普通高等学校设置条例(2002修订稿)
04-01
6
BB贝博艾弗森官方网站信息化成果
04-02
7
教育部关于印发《教育信息化“十三五” 规划》的通知
05-12
8
中共中央网络安全和信息化领导小组办公室
03-31
9
教育部办公厅关于印发《2016年教育信息化工作要点》的 通知
03-31
10
高等学校信息化建设参考指南
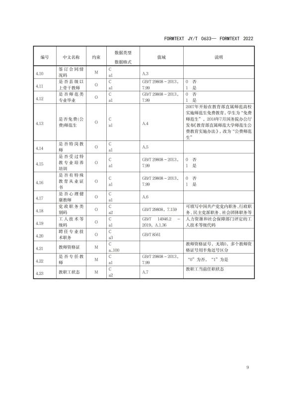
教育基础数据
2022/12/7 10:44:17
次浏览
分类:教育信息化
上一篇:
教育系统人员基础数据
下一篇:
教师数字素养
相关资讯
暂无相关的资讯...
地址:大理市海东新城蔚文街3号 联系电话:0872-3064563
滇ICP备16009274号 您是第 位访问者
邮编:671006
滇公网安备 53290102000454号
中国·BB贝博艾弗森(股份)有限公司-官方网站版权所有权利 未经允许不得复制、镜像